接线示意图
布线要求
技术规范
联系方式
- 联系人:郭经理
- 电话:13811139776
- 电话:010-57113119
- 邮箱:506665119@qq.com
- 地址:北京通州区新华北路117
利达消防设备接线图
文章来自:消防主机维修 发布时间:2014-03-13 09:27
设备的技术支持:主要针对于模块、探头的编码。
EN系列主机采用混合编址。但为了便于现场编写逻辑关系及后期维护保养建议采取以下顺序编址:感烟探测器→感温探测器→燃气探测器→手动报警按钮→消火栓按钮→输入模块→输入输出模块。
其次是探测器、模块等的接线方式。一般情况下施工方要了解接线方式,就要考虑到现场有没有预埋走线,是否需要重新布线。
一.现场经常用到的几种探头的技术支持
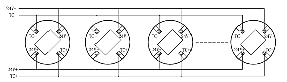
1.LD10EN底座:用于LD3000EN/A、LD3300EN等探测器,采用二总线并联接线方式,TC+,TC-端子不分正负极。

图1.1
2.LD2000E-A手动火灾报警按钮内部接线图(如图1.2所示):3、4脚是二总线端子,TC2、TC1无极性,1、2脚是一组无源常开接点,通过电压小于30V通过电流100MA,5脚6脚是备用消防电话接口,配合电话手柄使用。如使用总线电话需要配合总线电话模块使用。

图1.2
3.LD2001EN消火栓按钮内部接线图(如图1.3所示):3、4脚是二总线端子,TC2、TC1无极性,1、2脚是一组无源常开接点,接直接启泵线(图1.4),通过电压小于30V通过电流 100MA,7脚是24V+,8脚是消防泵的反馈线。

图1.3
图1.4
4. LD3101/B点型可燃气体探测器内部接线示意图(如图1.5所示):TC+,TC-,24V+,24V-四个端子。3101/B点型可燃气体探测器探头编码方式是将TC+与24V+短接,TC-与24V-短接,用编码器的红色夹子夹在TC+上,黑色夹子夹在TC-上进行编码。

图1.5
5.LD4400EN-1/2输入模块端子图与接线图示例(如图1.6、1.7所示):6脚5脚是二总线TC+,TC-原则上不分正负极,11脚12脚是一组无源长开点,8脚7脚是一组无源长开点。端子现场设备上需要加15K线路检测电阻。
图1.6
图1.7
6.LD6800EC-1输入/输出模块内部接线图(如图1.8所示):1脚24V+,2脚24V-必须分极性,5、6脚TC+、TC-,11、12脚现场反馈信号接入点,需要接82K线路检测电阻。9、10脚24V输出,接5.1K线路检测电阻。
图1.8
7.LD6800EC-2输入/输出模块内部接线图(如图1.9所示):
1脚24V+,2脚24V-必须分极性,5、6脚接入TC+、TC-,11、12脚和3、4脚分别为两组现场反馈信号接入点,需要接82K线路检测电阻。9、10脚和7、8脚为24V输出,接5.1K线路检测电阻。

图1.9
二.主机柜的技术支持
主要针对的主机、手动盘、电话系统、广播系统、气体灭火盘、联动电源系统等。
1.主机类:
LD128E(Q)火灾报警控制器(联动型)接线端子图:

2.手动盘接线端子示意图:

三.消防电话系统:
1.总线消防电话系统
HY5711B
有总线接口和单路输出接口。总线接口可接HY5716B总线电话分机和HY5714B总线电话插孔。单路输出可接入30部HY2712D多线电话分机和HY2714D多线电话插孔。

2.多线消防电话系统:
YJG3040

3.广播系统:




EN系列主机采用混合编址。但为了便于现场编写逻辑关系及后期维护保养建议采取以下顺序编址:感烟探测器→感温探测器→燃气探测器→手动报警按钮→消火栓按钮→输入模块→输入输出模块。
其次是探测器、模块等的接线方式。一般情况下施工方要了解接线方式,就要考虑到现场有没有预埋走线,是否需要重新布线。
一.现场经常用到的几种探头的技术支持
1.LD10EN底座:用于LD3000EN/A、LD3300EN等探测器,采用二总线并联接线方式,TC+,TC-端子不分正负极。

图1.1
2.LD2000E-A手动火灾报警按钮内部接线图(如图1.2所示):3、4脚是二总线端子,TC2、TC1无极性,1、2脚是一组无源常开接点,通过电压小于30V通过电流100MA,5脚6脚是备用消防电话接口,配合电话手柄使用。如使用总线电话需要配合总线电话模块使用。

图1.2
3.LD2001EN消火栓按钮内部接线图(如图1.3所示):3、4脚是二总线端子,TC2、TC1无极性,1、2脚是一组无源常开接点,接直接启泵线(图1.4),通过电压小于30V通过电流 100MA,7脚是24V+,8脚是消防泵的反馈线。

图1.3
图1.4 4. LD3101/B点型可燃气体探测器内部接线示意图(如图1.5所示):TC+,TC-,24V+,24V-四个端子。3101/B点型可燃气体探测器探头编码方式是将TC+与24V+短接,TC-与24V-短接,用编码器的红色夹子夹在TC+上,黑色夹子夹在TC-上进行编码。

图1.5
5.LD4400EN-1/2输入模块端子图与接线图示例(如图1.6、1.7所示):6脚5脚是二总线TC+,TC-原则上不分正负极,11脚12脚是一组无源长开点,8脚7脚是一组无源长开点。端子现场设备上需要加15K线路检测电阻。
图1.6
图1.76.LD6800EC-1输入/输出模块内部接线图(如图1.8所示):1脚24V+,2脚24V-必须分极性,5、6脚TC+、TC-,11、12脚现场反馈信号接入点,需要接82K线路检测电阻。9、10脚24V输出,接5.1K线路检测电阻。
图1.87.LD6800EC-2输入/输出模块内部接线图(如图1.9所示):
1脚24V+,2脚24V-必须分极性,5、6脚接入TC+、TC-,11、12脚和3、4脚分别为两组现场反馈信号接入点,需要接82K线路检测电阻。9、10脚和7、8脚为24V输出,接5.1K线路检测电阻。

图1.9
二.主机柜的技术支持
主要针对的主机、手动盘、电话系统、广播系统、气体灭火盘、联动电源系统等。
1.主机类:
LD128E(Q)火灾报警控制器(联动型)接线端子图:

2.手动盘接线端子示意图:

三.消防电话系统:
1.总线消防电话系统
HY5711B
有总线接口和单路输出接口。总线接口可接HY5716B总线电话分机和HY5714B总线电话插孔。单路输出可接入30部HY2712D多线电话分机和HY2714D多线电话插孔。

2.多线消防电话系统: YJG3040

3.广播系统:



